Strømtransformer CT
Sårtype 5p10 5p20 Ct 100 150 400 5a
  • Sårtype 5p10 5p20 Ct 100 150 400 5aSårtype 5p10 5p20 Ct 100 150 400 5a

Sårtype 5p10 5p20 Ct 100 150 400 5a

For at levere højkvalitets potentielle transformere og strømtransformatorer understøtter Wenzhou XiFa Electric Power Equipment Co., Ltd tilpasset service til kunder, såsom at producere og levere viklet type 5p10 5p20 ct 100 150 400 5a. I WenZhou XiFa elektrisk holder det producerende team lageret for almindelig type strømtransformer, såsom en 100/5a 10p10 0,5 strømtransformer, for at sikre hurtig levering. Virksomheden understøtter dog skræddersyet service for at imødekomme forskellige efterspørgsel efter elektricitet, såsom forsyningsstrømtransformere, hvoraf beskyttelsesklassen er 5p10 eller 5p20.

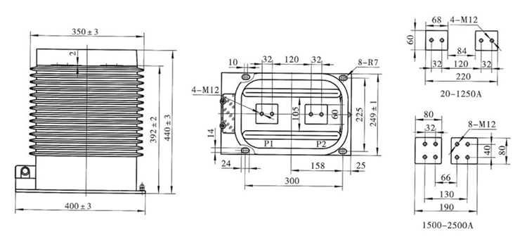
Den viklede strømtransformator er designet til pålidelig strømmåling og beskyttelse i mellemspændingsstrømsystemer såsom 10kv 20kv og 35kv. Tilgængelig i strømforhold på 100/5A, 150/5A og 400/5A, og med beskyttelsesnøjagtighedsklasser på 5P10 og 5P20, giver denne sårtype 5p10 5p20 ct 100 150 400 5a en præcis sekundær strømudgang, der er egnet til både måling og beskyttelse af applikationer.

Fremstillet med solide magnetiske kerner og sekundære spoler sikrer den viklede strømtransformator stabil ydeevne under kortslutningsforhold og leverer nøjagtig strømtransformation selv under forbigående hændelser. Dets robuste isoleringssystem, der ofte indeholder epoxy eller højkvalitets harpiks, sikrer sikkerhed, lang levetid og modstandsdygtighed over for fugt og miljøbelastning.

Det viklede design tillader fleksibel installation i koblingsudstyr, kontrolpaneler og fordelingstavler for at give pålidelig støtte til relæbeskyttelsessystemer. Den viklede strømtransformator er ideel til industrielle anlæg, kommercielle faciliteter og distributionsnetværk, hvor nøjagtig og pålidelig strømmåling er afgørende for både driftsovervågning og beskyttelseskontrol.

Wound Type 5p10 5p20 Ct 100 150 400 5a

Teknisk specifikation:

Type Primær nominel strøm (A) Nøjagtighedsklasse Nøjagtighedsklasse og nominel output cosΦ=0,8 Shory-Time termisk strøm (kA/S) Nominel dynamisk strøm (kA)
0,2 (s) 0,5 (s) 10P10
LZZBJ9-35 20-100 0,2/0,2 0,2/0,5 0,2/5P20 0,5/5P20 0,2/0,5/5P 0,2/5P/5P 10 10 15 150I1n 375I1n
150-200 31.5 80
300-500 31,5/2 80
600-1250 15 30 20 31,5/4 80
1500-2000 20 40 30 40/4 125
2500 20 40 20 40/4 125


Type Primær nominel strøm (A) Nøjagtighedsklasse Kapacitet (VA) Shory-Time termisk strøm (kA/S) Nominel dynamisk strøm (kA)
LZZBJ9-35 10 0,2/10P10 0,5/10P10 0,2/5P20 0,5/5P20 0,2/0,5/10P10 0,2/0,5/5P20 0,2/10P10/5P20 0,5/10P10/5P20 15/20 20/20 15/20 20/20 15/20/20 15/20/20 15/20/20 20/20/20 1,5/1 3.75
20 2/1 5
30 3/1 7.5
40 4/1 10
50 5/1 12.5
75 7,5/1 18.75
100 10/1 25
150 15/1 37.5
200 20/1 50
300 31,5/1 80
400 31,5/2 80
500 31,5/2 80
600 31,5/2 80
800 31,5/3 80
1000 31,5/3 80
1200 31,5/3 80
1500 31,5/3 80
2000 31,5/3 80

Wound Type 5p10 5p20 Ct 100 150 400 5a

Ofte stillede spørgsmål om produkter:

Q: Hvad betyder "sårtype 5P10" eller "5P20" i en sårtype 5p10 5p20 ct 100 150 400 5a?

A: Udtrykket "viklet type" refererer til CT'er, hvor den primære leder er en viklet vikling snarere end en samleskinne eller stang gennem kernen. Klassen 5P10 eller 5P20 angiver beskyttelsesnøjagtighed: 5P betyder op til 5 % fejl ved nominel sekundær strøm, og tallet 10 eller 20 er det maksimalt tilladte korttidsmultipel af den nominelle primærstrøm uden at overskride den specificerede fejl.

Q: Hvordan vælger jeg den korrekte CT-vurdering til mit system?

A: Vælg en CT baseret på dit systems maksimale belastningsstrøm og beskyttelseskrav. For eksempel er en 100/5A CT velegnet til kredsløb med typiske strømme omkring 100 A, mens 400/5A er designet til feedere med højere strøm. Vælg en beskyttelsesklasse (5P10 eller 5P20) i henhold til relæets fejldetektionsfølsomhed og den forventede kortslutningsstrøm.

Q: Hvilke miljøforhold kan sårtype 5p10 5p20 ct 100 150 400 5a håndtere?

A: Disse strømtransformatorer af viklet type er typisk klassificeret til omgivelsestemperaturer fra –10 °C til +40 °C, med en maksimal højde på 1000 m. Husmaterialer og isoleringssystemer er designet til fugt-, støv- og forureningsbestandig drift for at sikre pålidelig beskyttelsesydelse i industri- og forsyningsmiljøer.




Hot Tags: Sårtype 5p10 5p20 Ct 100 150 400 5a, Strømtransformerleverandør, Måletransformatorer Engros
Send forespørgsel
Kontaktoplysninger

For at få dit tilbud ASAP

XiFa - din pålidelige leverandør af elektrisk udstyr
X
Vi bruger cookies til at tilbyde dig en bedre browsingoplevelse, analysere trafik på webstedet og tilpasse indhold. Ved at bruge denne side accepterer du vores brug af cookies. Privatlivspolitik
Afvise Acceptere