Strømtransformer CT
Bøsning Type CT mellemspændingsstrømtransformator
  • Bøsning Type CT mellemspændingsstrømtransformatorBøsning Type CT mellemspændingsstrømtransformator
  • Bøsning Type CT mellemspændingsstrømtransformatorBøsning Type CT mellemspændingsstrømtransformator

Bøsning Type CT mellemspændingsstrømtransformator

For at matche efterspørgslen efter elektricitet til gasisoleringsanlæg, producerer og leverer Wenzhou XiFa Electric Power Equipment Co., Ltd. gennemføringstype ct mellemspændingsstrømtransformer til kunder fra udlandet og i hjemmet. Mellemspændingstransformeren af ​​bøsningtypen har et kompakt design, så CT'en er velegnet til installationsmiljø i en sf6-ringhovedenhed. I mellemtiden har bøsningstypen ct mellemspændingsstrømtransformator også en fuldstændig lukket struktur, som ikke påvirkes af ekstern fugt og forurening.

Mellemspændingstransformatorerne af bøsningtypen er konstrueret til sf6-gasisoleringskoblingsanlæg for at give nøjagtig strømmåling og pålidelig beskyttelse. Disse mellemspændingstransformatorer af bøsningstype er designet med en kompakt, gennemgående kernestruktur og har højkvalitets magnetiske kerner og epoxyharpiksindkapsling for at understøtte fremragende ydeevne på isolering, fugtbestandighed og langsigtet driftsstabilitet.


Mellemspændingstransformatorerne af bøsningtypen understøtter både måleklasse- og beskyttelsesklasseklassificeringer for at levere nøjagtig strømføling under normal drift og under fejltilstande. Den robuste og forseglede konstruktion tillader installation i trange GIS-rum uden at gå på kompromis med ydeevnen, mens den multi-retningsbestemte monteringsevne letter fleksibel systemintegration.


Mellemspændingstransformatorerne af bøsningtypen er ideelle til smarte net, industrielle understationer og jernbanetransitsystemer. Den har en problemfri grænseflade med beskyttelsesrelæer, måleenheder og automatiseringssystemer for at sikre præcis overvågning og pålidelig fejldetektion i kritiske strømnetværk.

Bushing Type Ct Medium Voltage Current TransformerBushing Type Ct Medium Voltage Current Transformer

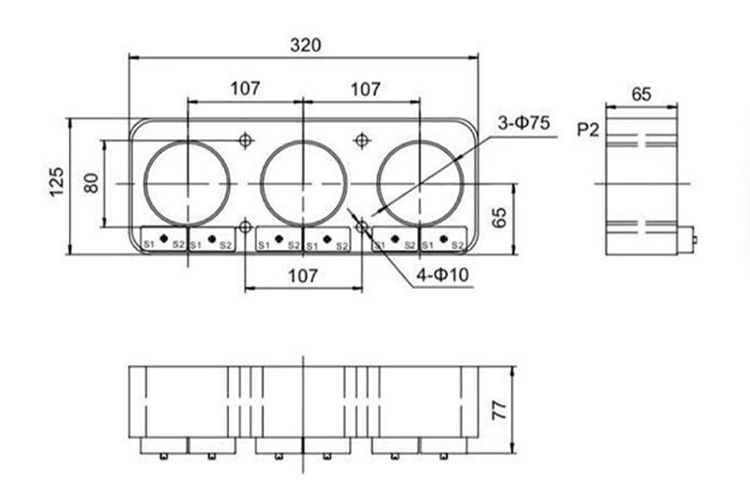
Teknisk specifikation:

Bushing Type Ct Medium Voltage Current TransformerBushing Type Ct Medium Voltage Current TransformerBushing Type Ct Medium Voltage Current Transformer

Ofte stillede spørgsmål om produkter:

Q: Hvad er en bøsningstype ct mellemspændingsstrømtransformer?

A: en bøsning type CT er enstrømtransformerdesignet til at blive monteret direkte omkring eller inden for bøsningen på elektriske paneler, især gasisoleringsafbryderen. Det er almindeligt anvendt i mellemspændingsapplikationer til nøjagtig strømmåling, energimåling og beskyttende relæ.

Spørgsmål: I hvilke applikationer bruges CT'er af bøsningstypen oftest?

A: Bøsningstype CT'er anvendes i vid udstrækning i mellemspændingsanlæg, strømtransformatorer og afbrydere. Deres kompakte design gør dem velegnede til integration i udstyr, hvor pladsen er begrænset, samtidig med at de giver pålidelig strømovervågning til både måling og beskyttelse.

Q: Hvad er de vigtigste fordele ved bøsningstype CT'er sammenlignet med andre designs?

A: Bøsningstype CT'er er direkte integreret med udstyrsbøsningen, hvilket sparer installationsplads og reducerer ledningskompleksiteten. De tilbyder høj dielektrisk styrke, robust isolering og fremragende mekanisk stabilitet. Dette design sikrer pålidelig langtidsydelse i krævende miljøer.




Hot Tags: Bøsning Type CT Medium Spænding Strøm Transformer Leverandør, Strøm Transformer Engros
Send forespørgsel
Kontaktoplysninger

For at få dit tilbud ASAP

XiFa - din pålidelige leverandør af elektrisk udstyr
X
Vi bruger cookies til at tilbyde dig en bedre browsingoplevelse, analysere trafik på webstedet og tilpasse indhold. Ved at bruge denne side accepterer du vores brug af cookies. Privatlivspolitik
Afvise Acceptere