Strømtransformer CT
Harpiksstøbt Elektrisk Ct Strømtransformer
  • Harpiksstøbt Elektrisk Ct StrømtransformerHarpiksstøbt Elektrisk Ct Strømtransformer
  • Harpiksstøbt Elektrisk Ct StrømtransformerHarpiksstøbt Elektrisk Ct Strømtransformer

Harpiksstøbt Elektrisk Ct Strømtransformer

Wenzhou XiFa Electric Power Equipment Co., Ltd er en professionel fremstilling til at producere harpiksstøbt elektrisk ct-strømtransformator, hvor den anvendes i 10 kv til 35 kv elektriske koblingsudstyr. I Wenzhou XiFa støber det producerende team epoxyharpiks i vakuummiljø for at fjerne bobler i siden af ​​strømtransformatoren og forhindre delvis udledning på overfladen. I mellemtiden er den harpiksstøbte elektriske ct-strømtransformator designet som flerlagsisoleringsstrukturen for at opnå en bedre ydeevne på spændingsmodstand og langsigtet stabilitet.

Den harpiksstøbte elektriske ct-strømtransformator er en indendørs, epoxyharpiks, vakuumstøbt, posttype enhed designet til 10kv spændingsniveau strømsystemer med en nominel frekvens på 50 Hz. Den bruges primært til strømmåling, energimåling og beskyttelsesrelæ.

Den harpiksstøbte elektriske ct-strømtransformator anvender en fuldt lukket epoxyharpiksstøbeproces, hvor kernen er lavet af magnetisk materiale af høj kvalitet, og både de primære og sekundære spoler sammen med kernen er indlejret i harpiks. Denne konstruktion giver fremragende ydeevne på isolering, fugtbestandighed og forureningsbestandighed. Overfladen af ​​en harpiksstøbt elektrisk ct-strømtransformator kræver ingen yderligere belægning, og strømtransformatoren kan installeres i flere positioner.

Sortimentet dækker både måleklasser, såsom 0,2S og 0,5S, og beskyttelsesklasser, såsom 10P10 og 10P20. Et multi-forhold design er tilgængeligt på en harpiksstøbt elektrisk ct strømtransformator, for at gøre den velegnet til brug i metalbeklædte elektriske paneler.

Resin Cast Electrical Ct Current TransformerResin Cast Electrical Ct Current Transformer

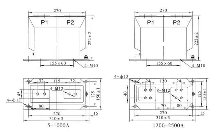
Teknisk specifikation:

Type Primær nominel strøm (A) Nøjagtighedsklasse Nøjagtighedsklasse og nominel output cosΦ=0,8 Shory-Time termisk strøm (kA/S) Nominel dynamisk strøm (kA)
0,2 (s) 0,5 (s) 10P10 10P15 10P20
LZZBJ9-10 5-150 0,2s/0,5 0,2s/10P 0,2/10P 0,5s/10P 0,5/10P 10 10 15 15 10 100I1n 250I1n
200-300 31.5 80
400-500 45 112
600-1000 63 130
1200-1500 80 160
2000-2500 100 180

Resin Cast Electrical Ct Current Transformer

Ofte stillede spørgsmål om produkter:

Q: Hvilke tekniske parametre skal man kontrollere, når man vælger en harpiksstøbt elektrisk ct-strømtransformator?

A: Følgende nøgleparametre skal kontrolleres ved valg:

1.Nøjagtighedsklasse: Til måling/måling (f.eks. 0,2 s eller 0,5) og beskyttelsesformål (f.eks. 10P10, 5P10 osv.).

2. Nominel primærstrøm og sekundærstrøm (transformationsforholdet).

3. Kort tid termisk strøm (Ith) og kort tid strømmodstandsdygtighed (for fejltilstande).

4. Isolationsniveauer (spændingsmodstand, impulsspændingsmærkning osv.).

5.Environmental tolerancer: Temperaturområde, højde, luftfugtighed, forureningsniveau.

6.Burden: VA-belastningen, den sekundære skal drive uden forringende nøjagtighed.

Q: I hvilke miljøer eller applikationer er harpiksstøbte elektriske ct-strømtransformatorer særligt velegnede?

A: følgende miljø eller anvendelse er egnet til en harpiksstøbt elektrisk ct-strømtransformator:

1. Indendørs koblingsudstyr, hvor pladsen er begrænset og isolering er afgørende.

2.I barske eller forurenede miljøer (støv, fugt, kemikalier), hvor åbne dele eller olie kan nedbrydes.

3.I måle- og beskyttelseskredsløb, der kræver stabil, nøjagtig måling over lange perioder.

4.Applikationer, hvor lav vedligeholdelse og høj pålidelighed er vigtige.

Hot Tags: Leverandør af harpiksstøbt strømtransformer, producent af elektriske CT-transformere, engrossalg af specialfremstillede CT-transformere
Send forespørgsel
Kontaktoplysninger

For at få dit tilbud ASAP

XiFa - din pålidelige leverandør af elektrisk udstyr
X
Vi bruger cookies til at tilbyde dig en bedre browsingoplevelse, analysere trafik på webstedet og tilpasse indhold. Ved at bruge denne side accepterer du vores brug af cookies. Privatlivspolitik
Afvise Acceptere