Potential Transformer PT
13,8 Kv 1-faset potentialtransformer i understation
  • 13,8 Kv 1-faset potentialtransformer i understation13,8 Kv 1-faset potentialtransformer i understation

13,8 Kv 1-faset potentialtransformer i understation

For at producere en pålidelig 13,8 kv enfaset potentialtransformator i transformerstation, vedtager Wenzhou XiFa Electric Power Equipment Co., Ltd premium CRGO elektrisk stål som hovedmateriale af kerne for at reducere tabsværdien og forbedre nøjagtighedsklassen, og højstyrke emaljeret kobbertråd som hovedmateriale af spolen for at sikre drejningsforhold og drej-til-drejningsisolering gennem præcisionsvikling. Stadig mere anvender hver 13,8 kv enfaset potentialtransformator i transformerstationen produktionsprocessen med epoxyharpiksvakuumstøbning for at skabe en samlet størknet struktur, der ikke er let at absorbere fugt, hvilket er velegnet til varme, fugtige og støvede miljøer.

Produktegenskaber:

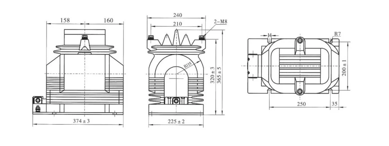
En 13,8 Kv enfaset potentialtransformator i understation er designet til at nedtrappe den primære spænding på 13,8 kv til en standard sekundær spænding, såsom 100 eller 110 volt. Den reducerede spænding tilføres derefter til de parallelle viklinger for at måle instrumenter og beskyttelsesrelæer, hvilket gør det muligt at foretage primære spændingsmålinger indirekte med et lavspændingsinstrument. En sådan tilgang forenkler instrumentdesign, sparer omkostninger og sikrer sikkerheden for både udstyr og driftspersonale.


Arbejdsprincippet for en 13,8 kv enfaset potentialtransformator er det samme som en effektfordelingstransformator, hvor transformationsforholdet er bestemt af antallet af vindinger i primær- og sekundærspolerne. Forøgelse af antallet af sekundære drejninger reducerer forholdet, mens forøgelse af antallet af primære vendinger hæver det. Det er vigtigt at bemærke, at sekundærkredsløbet i en 13,8 kv enfaset potentialtransformator under ingen omstændigheder må kortsluttes under drift.

13 8 Kv Single Phase Potential Transformer In Substation

Teknisk specifikation:

Type Nominel spændingsforhold (kV) Nøjagtighedsklasse Nøjagtighedsklasse og nominel output cosΦ=0,8 Den Max. Output (VA)
0.2 0.5 1 6(P)
JDZ11-15 (15/√3)/(0,1/√3)/(0,1/3) 0,2/6P 0,5/6P 1/6P 30 80 150 100 400
JDZ11-20 (20/√3)/(0,1/√3)/(0,1/3)
JDZ11-15 (15/√3)/(0,1/√3)/(0,1/√3)/(0,1/3) 0,2/0,2/6P 0,2/0,5/6P 15 20 N/A 100 2*200
JDZX11-20 (20/√3)/(0,1/√3)/(0,1/√3)/(0,1/3)

13 8 Kv Single Phase Potential Transformer In Substation

Ofte stillede spørgsmål om produkter:

Q: Hvordan er en 13,8 kv enfaset potentialtransformer forskellig fra en 13,8 kv krafttransformator?

A: Mens begge er spændingskonverterende enheder, er en 13,8 kv enfaset potentialtransformer designet til måling og beskyttelse frem for strømoverførsel. Dens nominelle belastning er relativt lille, normalt udtrykt i VA, hvorimod krafttransformatorer håndterer belastninger i en større værdi, som tæller i kVA eller MVA.


Q: Hvilke isoleringsmetoder bruges ved en 13,8 kv enfaset potentialtransformator?

A: De flestepotentielle transformereved dette spændingsniveau anvendes epoxyharpiksstøbt isolering til indendørs service eller porcelæn/silikonehuse til udendørs installationer. Nogle designs bruger olienedsænket isolering for at opnå en forlænget levetid og højere termisk kapacitet.


Q: Hvordan skal en 13,8 kV enfaset potentialtransformer tilsluttes i en transformerstation?

A: Til fase til jord-måling er PT-primæren forbundet mellem en fase og jord. I et trefaset system kan et sæt enkeltfasede PT'er eller en trefaset PT-enhed bruges til at måle linje til linje og linje til jord spændinger.


Spørgsmål: Hvilke problemer kan der opstå med 13,8 kV enfasede potentialtransformere i transformerstationer?

Sv.: Almindelige problemer omfatter isolationsforringelse, ferroresonans under visse koblingsforhold, overophedning på grund af overbelastning og åbne sekundære kredsløbsforhold, der kan forårsage farligt høje spændinger.



Hot Tags: 13,8 Kv Enfaset Potential Transformer i Understation Leverandør, Understation Potential Transformer Engros
Send forespørgsel
Kontaktoplysninger

For at få dit tilbud ASAP

XiFa - din pålidelige leverandør af elektrisk udstyr
X
Vi bruger cookies til at tilbyde dig en bedre browsingoplevelse, analysere trafik på webstedet og tilpasse indhold. Ved at bruge denne side accepterer du vores brug af cookies. Privatlivspolitik
Afvise Acceptere